

產品型號: ?26樹脂福來輪 W-26PS(內)系列
產品名稱:?26樹脂福來輪 W-26PS(內)樹脂滾輪流利條
樹脂滾輪流利條的滾輪使用樹脂材料,可以是單列或者雙列。
>>說明
1.滾輪直徑:?26、?36、?38、?45
2.可以根據客戶要求定做。
>>仕様表
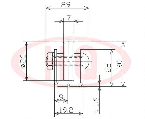
(単位 mm)
| 區(qū)分 | 型 式 | 滾輪尺寸 外徑×幅寬×軸徑×縫寬 D W d b | 使用軸 | 支架形狀 形狀h×W1×W2×W3×t | 機高 H | 全 長 L | 滾輪間距 P | 回轉半徑 R | 單滾輪承重強度(kg) | 截面形式 | ||
| 小徑 | W-26PS | 26×8×6×10 | M6×20L | 25×28×9×24×1.6 | 30 | 1,000?1,500 2,000 | 30?35 | 1,000 1,200 | 30 | C | ||
| TS型 | W-38GS | 38×12×6×27 | M6×38L | 45×31.6×10×42×2.3 | 52 | 1,800?2,400 3,000 | 50?75 100?150 | 1,000 1,200 | 30 | A | ||
| BOX型 | WB-36PS | 36×9×8×28 | M8×40L | 42.3×60×32×45× | 1.6 | 49 | 1,800?2,400 3,000 | 50?75 100 | — | 10 | F | |
| 2.3 | ||||||||||||
| S系列 | SW-38GS | 38×12×6×27 | M6×38L | 45×31×8.5×42×1.8 | 53 | 1,800?2,400 3,000 | 50?75 100?150 | 1,000 1,200 | 30 | G | ||
| 標準型 | W-36PS | 36×9×8×28 | M8×40L | 42.3×60×32.2×45×2.3 | 47 | 1,800?2,400 3,000 | 50?75 100?150 | 1,000 1,200 | 10 | J | ||
| 標準型 | W-36PW | 36×9×8×14 | M8×55L | 46.3×60×33×71× | 1.6 | 52 | 1,800?2,400 3,000 | 50?75 100?150 | 1,000 1,200 | 10 | K | |
| 2.3 | ||||||||||||
| 標準型 | W-45UW | 45×16×8×22 | M8×65L | 46.3×60×33×87× | 1.6 | 57 | 1,800?2,400 3,000 | 50?75 100?150 | 1,000 1,200 | 25 | K | |
| 2.3 | ||||||||||||
>>示意圖
